
一、用途:
工礦企業中的汽輪機、風機、磨煤機、水泵及艦船動力方面等大中型機械設備的潤滑油均離不開油冷卻器。本公司在吸取同類產品優點的基礎上,針對換熱管對油側層流的擾動方面作了大量的實驗,最終成功研制出最新型管式冷油器
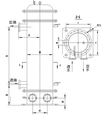
二、產品結構與工作原理:
管式冷油器流動特點仍為油經殼程,水經管程。管外油側傳熱系數為管內傳熱系數的1/10-1/20,熱阻主要在油側。本設備將傳統的弓形隔板改為旋流導板,主要原理為:冷卻油經冷油器殼程,隨旋流導板導向旋轉前行,油在旋轉同時沿管周方向沖刷,管的結構參數是經多次對比試驗進行優選的結果,性能優良,使用安全可*,為汽輪機組理想的輔機配套產品
三.產品特點:
管式冷油器與其他型式冷油器相比有如下優點:
1、傳熱效率高是板式冷油器的2-3倍
2、結構緊湊,其緊湊度為板式換熱器1-2倍
3、油阻小:因采用旋流導板,油進入為切向流動,有利于流體運行
4、使用壽命長,安裝檢測方便:換熱管熱膨脹應力小,故不存在常見的換熱脹劣,泄漏問題。因其仍為管殼式結構,安裝檢修方便。
四、產品選型
1、產品使用對象
本產品系列系為火電廠凝汽式汽輪機及各種供熱式汽輪機的專門設計,也可用于工礦企業動力機械的鍋爐給水泵、磨煤機、送吸風機等的潤滑、動力用油的冷卻之用。
2、產品型號模式
3、選型須知
國內外汽輪機廠家所設計的汽輪機型式繁多,本公司在廣泛收集資料及計算機的基礎上匯總了各式汽輪機冷油器訂貨選型方案,如表所示。用戶如有特殊使用要求請與本公司聯系
五、冷油器的安裝:
1、安裝前的準備工作:
冷油器出廠前經0.6mpa的水壓試驗。但在安裝前應按照《電力建設施工及驗收技術規范》(汽輪機篇)的規定條文:“冷油器側應進行工作壓力1.5倍的水壓試驗,保持5分鐘無滲漏,如作風壓試驗,其壓力應為工作壓力”進行。
2、冷油器安裝:
(1) 冷油器支撐在事先準備好的支架上,并能可*滿足其動、靜載荷需求
(2) 因支撐物弓形隔板改為旋流導板,故冷油器進油方向為順轉方向,切勿裝反。